中压开关柜性能有效性扩展(一)
2022-11-21 MK体育在线注册,MK体育(中国)
中压开关柜性能有效性扩展(二)
拼接式配电箱知识介绍分享
钢铁厂6#炉锅炉火焰检测装置QC项目报告案例
2022-11-18 MK体育在线注册,MK体育(中国)
什么叫行程开关、限位开关、接近开关以及三者之间区别
同步相量测量装置功能知识介绍
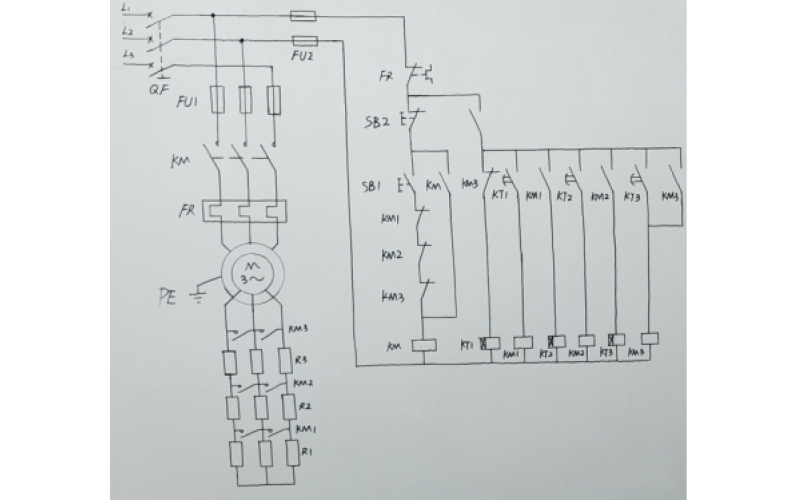
绕线转子异步电动机转子串电阻启动电路解析
2022-11-17 MK体育在线注册,MK体育(中国)
EPKS系统简单AI点的组态分享