新闻动态

  • 化工厂为什么不全是气动阀?

    气动阀门:以压缩空气为动力,不会产生电火花风险,防爆性能优异,适合易燃易爆环境(如石油,石化、化工等场景)。尤其在需要紧急切断或频繁操作的场合,气动阀响应速度快(通常10秒内或者更短),可靠性更高。

    2025-03-14 MK体育在线注册,MK体育(中国)

  • 继电器故障误动作故障联锁案例

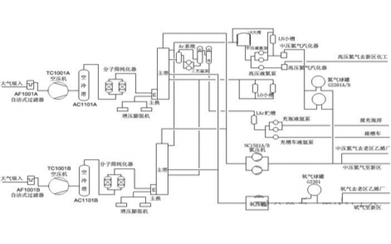
    空分装置空压机组联锁跳车,经查机组ITCC控制系统中 SOE 记录的跳车原因为速关油油压低联锁跳车。报警动作内容是汽机主汽门全开信号丢失,同一时刻速关油压力开关70PSA502、70PSA503动作,触发汽机紧急停车联锁。

    2024-12-06 MK体育在线注册,MK体育(中国)

  • 压力表分级及检定周期说明

    压力表分级及检定周期说明

    2024-11-18 MK体育在线注册,MK体育(中国)

  • 双法兰差压液位计故障案例

    公用工程联合车间空分装置B套空冷塔液位LICS01-1B在1分钟内由1336mm降到1131mm,19:21:47液位开始慢慢下降,最低降至 661mm。

    2024-10-23 MK体育在线注册,MK体育(中国)

  • 不用任何工具也能查到电气设备故障原因

    我走到操作室,首先查看励磁柜,也没有报警显示的呀,调试一下励磁装置也正常。

    2024-10-18 MK体育在线注册,MK体育(中国)

  • 空压机尾气压力低联锁原因分析

    尾气压力低报警,13:21:34 透平入口压力PSLL37低低报警,空压机停机,造成氧化反应器停车。

    2024-09-18 MK体育在线注册,MK体育(中国)

  • 怎样才能做好,电机滑环与碳刷的维护?

    10kV无油空压机使用的同步电动机,碳刷与滑环的维护十分重要,如果维护不当,易于损伤滑环,还会使碳刷打火严重,影响电机的正常运行。碳刷要选用含碳量高优质的,在更换前要根据刷盒的情况,进行四个面的研磨,保证在刷盒里运动自如。这样也能保护恒压弹簧的正常使用,不至于在电机运行时损坏恒压弹簧

    2024-08-19 MK体育在线注册,MK体育(中国)

  • 离相封闭母线冷却方式及微正压充气装置设置的要求(注电多选72)

    72、 发电厂中,关于离相封闭母线冷却方式及其微正压充气装置设置的要求,哪些是正确的?( ) A.当离相封闭母线额定电流小于25kA时,宜采用空气自然冷却方式 B.当离相封闭母线额定电流大于25kA时,应采用强制通风冷却方式 C.在日环境温度变化比较大的场所,宜采用微正压充气装置离相封闭母线 D.在湿度大的场所,宜采用微正压充气装置离相封闭母线

    2024-07-31 MK体育在线注册,MK体育(中国)

上一页123下一页 转至第
首页
产品
新闻
联系